1
/
of
10
Honda Amaze 2012-2020 Service Manual Repair, Workshop Service Repair, INSTANT Download PDF
Honda Amaze 2012-2020 Service Manual Repair, Workshop Service Repair, INSTANT Download PDF
Regular price
$9.00 USD
Regular price
Sale price
$9.00 USD
Shipping calculated at checkout.
Quantity
Couldn't load pickup availability
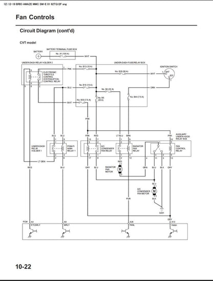
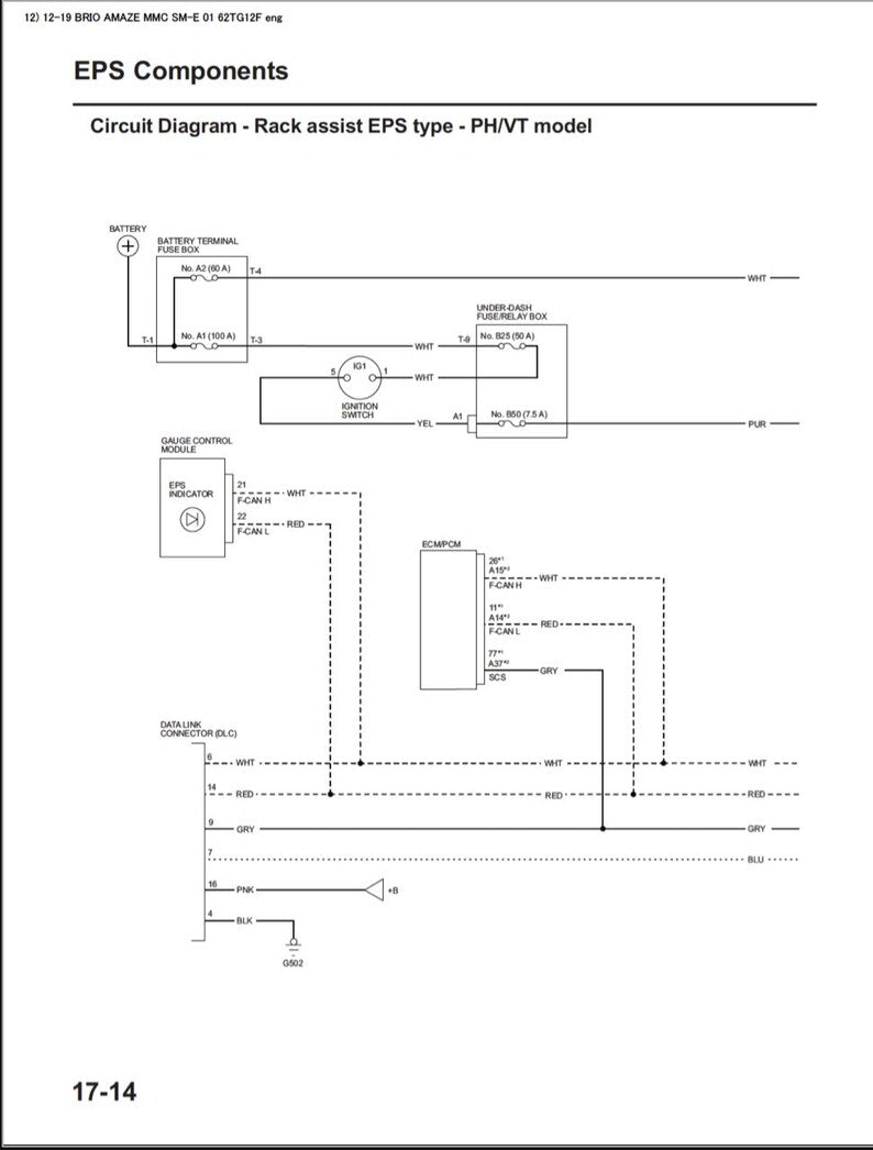
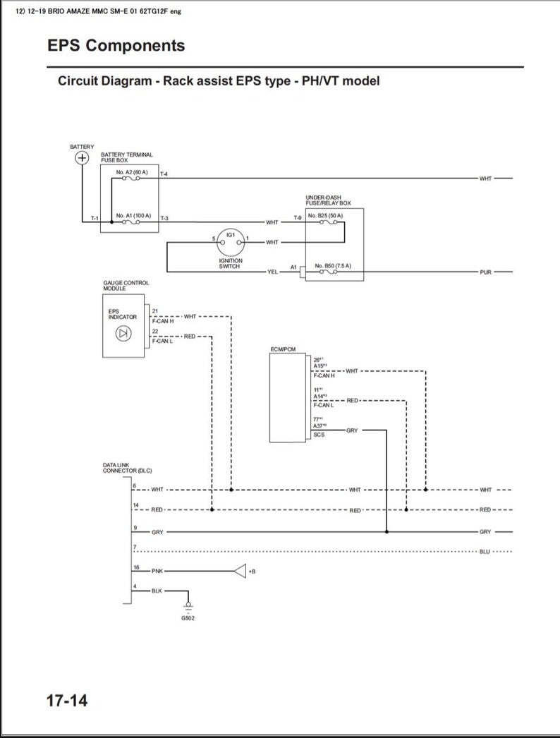
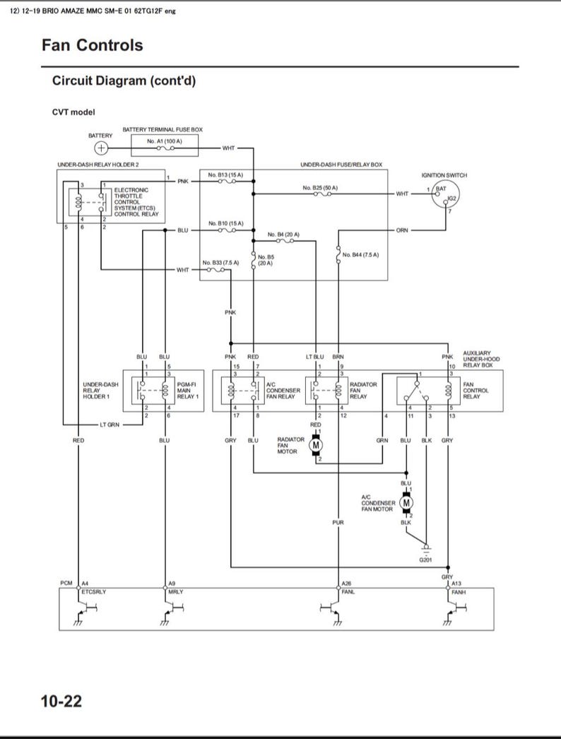
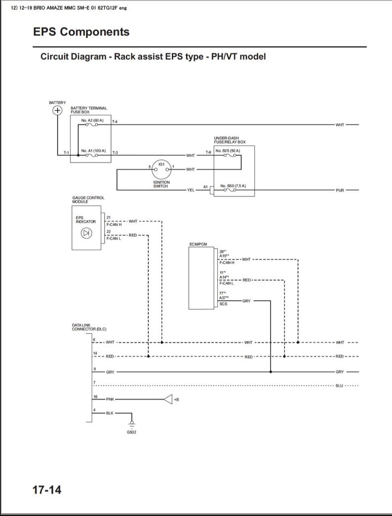
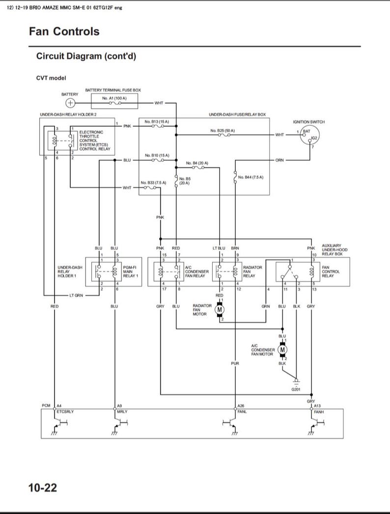
Highlights Designed by Repairo Digital download Digital file type(s) 1 PDF Comprehensive Car Repair & Maintenance Workshop Manuals (PDF) Instant Download Maintain and repair your vehicle confidently using our professional-grade digital workshop manuals. Designed for clarity and ease of use, each manual includes detailed, step-by-step instructions accompanied by high-quality diagrams, photographs, and technical illustrations. Manual DetailsLanguage EnglishPages 732 ( Electrical + Wiring )Format PDF Content Included- Maintenance- Engine- Engine electrical system- Fuel preparation and control- Fuel supply- Cooling- Exhaust system- Clutch- Engine and transmission mounting- Manual gearbox- Automatic transmission- Gearshift- Transfer box- Twin-clutch gearbox (DKG)- Front axle, front suspension- Steering and Wheel Alignment- Rear axle, rear-wheel drive, guide- Brakes- Pedals- Wheels with tyres- Integrated Suspension Systems- Body- Body equipment- Seats- Slidetilt sunroof and soft top- Audio, navigation, information systems- Distance system, Cruise control, remote operation- Electric motor- Parts and accessories for engine and chassis- Body parts and accessories- Communication systems- Paint- Wiring DiagramsWhy Choose Our Manuals?* Instant PDF Download* Accessible on PC, Mac, Tablets, and Smartphones* Fully Searchable and Indexed* Unlimited Printing and Usage* Clear, User-Friendly Instructions* Professionally Illustrated GuidesInstant AccessYour manual is available immediately after purchase via a secure Google Drive download link.Access, view, or print anytime at your convenience.Suitable ForHonda Amaze 2012-2020Ideal ForDIY Car EnthusiastsAutomotive ProfessionalsRepair WorkshopsShop with ConfidenceYour satisfaction is guaranteed. For any questions or assistance, please reach outwe're always here to help!Please NoteThis listing is for digital PDF files only; no physical product will be shipped. Your Satisfaction Is Our Priority!
Product features
Product features
Materials and care
Materials and care
Merchandising tips
Merchandising tips
Share
